發酵工程因其諸多優良特質,在醫藥工業、食品工業、化工、冶金、廢水治理等許多領域都得到了廣泛的應用,尤其在制藥工業的抗生素生產、生物藥生產、氨基酸生產中不可或缺,逐步形成了規模龐大的工程市場。因此,對發酵工程技術的研究和設計的優化,就變得十分必要。希望本文下面對發酵工程設計重點內容的闡述、難點問題的分析、多年累積優化經驗的分享,能給相關技術人員帶來價值和幫助。
1 發酵罐設計
1.1 發酵罐分類及基本結構
除少數厭氧反應器外,發酵設備一般多為需(好)氧微生物反應器,又稱通氣式發酵罐。通氣式發酵罐根據攪拌形式的不同又分為機械式攪拌和氣升式攪拌發酵罐。氣升式攪拌適合維生素C、動植物細胞等低耗氧品種,目前國內適合這種攪拌的產品較少見。通氣式機械攪拌發酵罐又被稱為通用式發酵罐,絕大部分品種均采用該類發酵罐進行生產。本文重點闡述該類發酵罐及其系統配置設計。
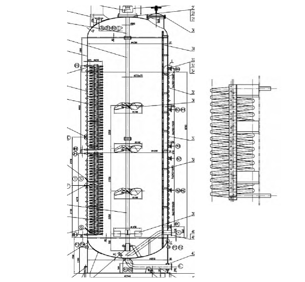
通用式發酵罐是最常用的需氧微生物反應器,它主要由罐體、裙座、電機、減速機、攪拌器、擋板、空氣分布裝置、軸封換熱器、內部換熱器、外半管夾套等部件組成,詳見圖1。
1.2 發酵罐設計的重點
1.2.1 單罐體積和數量的確定
A.發酵罐體積的確定

圖1 酵罐結構
需要根據年產量、放罐周期及批次、生產品種、培養基的性質、菌種需氧量、攪拌裝置水平、動力匹配性、勞動生產率要求等因素綜合確定。
首先,發酵罐設計需要考慮規模經濟,即在消耗同等能耗情況下,能夠有較多的產出。同時,根據發酵周期考慮每天放罐的合理批次,以求降低能耗,節省人力。改造工程還要考慮與原廠區動力系統的匹配情況,如原廠區的空壓系統壓頭、冷水系統壓力等,以利于并網平穩運行,減少備機。
其次,在規模經濟以上,還要考慮染菌的風險。單罐容積越大,一旦染菌,造成的損失也越大。造成染菌的因素較多,例如,種子帶菌、操作失誤、設備管路閥門泄漏、消毒不徹底等,很難絕對杜絕。
對提取車間能力的匹配性和投資強度也要進行綜合考量,提取負荷越均勻,提取車間投資越經濟,人力使用越合理。總之,在設計過程中,確定發酵罐體積,需要多因素綜合考量。
目前,國內廠家出于降低投資和生產運行成本的考慮,傾向于發酵罐的設計越大越好。客觀上,攪拌系統配置水平的提高,裝備制作水平的提升,使溶氧水平能較易得以保證,發酵罐容積適當增大對溶氧產生的不利影響不顯著。因此,國內某些氨基酸類的品種,例如谷氨酸、賴氨酸等最大發酵單罐做到了800立方米。但這些產品通常為兼性好氧,發酵液較稀,通氣比低,對氧需求低。對于氧需求較高的品種,大發酵罐對發酵整體生產水平還是有顯著影響的。因此,這類產品發酵罐容積還需綜合考慮比選確定。
通過對國內某品種生產廠家調研,得到的比選數據。這個品種的特點是發酵液對溶氧量需求較大、產熱較高,發酵液的性質也使溶氧困難。通過比選可知,156 m3發酵罐對該品種較530 m3發酵罐更具綜合優勢,并非罐體體積越大越好。

表1 某品種工程關鍵設備選型比選表
B.發酵罐臺數確定
需考慮年產量、發酵周期、發酵單罐容積、生產工藝、廠房建筑條件、提取設備能力匹配、工人技術素質等綜合因素確定。
具體根據年產量、發酵周期(天數),生產輔助(放罐、洗罐和檢修、滅菌、冷卻等)時間,結合發酵單罐容積,來確定發酵罐總臺數。同時,也要考慮發酵液的性質和提煉設備的處理能力,做到綜合運行負荷平衡。為了均衡生產,生產廠家大多采用24小時放1~2罐。例如發酵全周期為8天(含輔助時間),1天放1罐,則設計為8臺發酵罐。也可以設計為1天放2罐,選擇16臺發酵罐。
1.2.2 高徑比的選擇
A.通用式發酵罐的高徑比范圍一般為H/D=1.75~3.0;
H/D=2~2.8更為多見;
高徑比的選擇也要進行綜合考慮。高徑比大,使空氣在發酵液中有相對長的停留時間,能提高液體中的溶解氧,有利于發酵產物的生成。但較高的罐高,必然要求提高發酵罐空氣入口壓頭,以保證進氣壓力大于發酵液柱靜壓加發酵操作罐壓之和,這樣空壓機的出口壓力也必隨之增大,從而使空壓機電耗增加。根據經驗數據,一些大型離心空壓機每增加0.01 MPa壓頭,則空壓機的耗電量增加5%左右。
通常,對于容積較小設有設備法蘭的種子罐,由于結構上的原因,其高徑比受到限制,一般只為1.75~2.0。罐直徑大于等于1.2 m的發酵罐,封頭直接焊在筒體上,上封頭設置人孔,可安裝攪拌軸的中間軸承,因而此類發酵罐的筒身高徑比可適當提高,多為2.0~3.0。發酵罐容積增大到一定程度,受綜合因素影響,發酵罐通常由細長型逐變為矮胖型(H/D減少)。國內實踐較成功的150 m3發酵罐型,其高徑比為2.75,而典型500 m3發酵罐的高徑比為2.3。
B.發酵罐直筒段高度絕對值不宜過高。
近年來新建發酵罐容積趨向大型化,從50 m3、120 m3、150 m3幾種成熟罐型,一直擴增到300~500 m3罐,甚至更大。但綜合考慮空壓機經濟運行的壓力保證、建筑物常規高度控制等因素,罐體直筒高度絕對值一般不宜超過15 m。
1.2.3 攪拌流場技術方案及系統配置
A.攪拌流場技術方案
攪拌過程是通過攪拌器向發酵罐內輸入機械能,助力動量、熱量和質量的傳遞。因此,形成氣泡打碎均勻、喘流程度高的全釜混流效果是我們要追求的理想狀態,其將利于三個傳遞的良好實現。經過多年來的研究結果和實踐經驗,目前多采用底部徑向流,整體軸向流的流場技術方案。
發酵罐的攪拌層數根據罐體高度一般設為2~4層,最底部應選用徑向流式的攪拌葉,上部幾層選用下壓式軸向流式的攪拌葉。下層攪拌起到打碎氣泡的作用,并產生徑向流使流體徑向擴散,向四周運動,上面幾層攪拌產生軸向流使流體沿軸向向下運動,罐壁附近流體向上運動,從而整體形成一個喘動的循環流動。其中,底層攪拌的功率準數最高,攪拌消耗功率超過上面2層或3層的總和。
B.攪拌葉形式配置
目前底層經向流攪拌配置多采用非對稱拋物線圓盤渦輪攪拌器或者半圓管圓盤渦輪槳,上面1~3層多采用四寬葉旋漿式軸流型攪拌器,詳見圖2。

圖2 攪拌器形式選擇
槳葉直徑與發酵罐直徑比值d/D為。槳葉直徑的大小及攪拌轉速的設定,是影響攪拌功率的兩個關鍵因素,也是影響氧傳遞系數的最敏感因素。
C.通氣管形式配置
發酵罐的通氣一般均由罐體底部通入,空氣分配管常采用三種方式。
第一種為單管式。其出口位置于底部攪拌的正下方,開口向下,同時可起到翻騰沉積于罐底的固體物料作用。其結構簡單,被廣泛應用。
第二種為環形空氣分布管式。安裝時環形分布管的中心應正對攪拌軸中心,并水平布置。在分布管上下、左右均開有φ5~8 mm的小孔,開孔尺寸可以根據發酵液性質適當縮放。
第三種為旋流混合器或噴射攪拌器。旋流混合器基本原理是利用壓縮空氣本身的靜壓能,使空氣噴射產生對周邊流體的抽吸帶動作用,轉化為高速旋轉的氣液混合流,并呈徑向旋流產生動能,在旋流混合的過程中,增加空氣和發酵液接觸表面積及停留時間,提高發酵空氣利用率;噴射攪拌的基本原理是當壓縮空氣通過進口管道進入噴嘴時,會產生高速運動,并在噴嘴中心形成一個低壓區域。此時,發酵液被注入到低壓區域中,與氣體發生湍流和剪切,實現了發酵液與壓縮空氣的均勻混合。這兩種方式都可以做到空氣和液體在發酵罐底部混合充分,其中氣泡直徑微小,呈乳化狀態,空氣利用率提高。比傳統發酵溶解氧提高5%~20%或發酵電耗降低5%~30%。
在實際設計中,對是否選用節能混合器,要從菌種、發酵液性質等綜合考慮。例如阿維菌素發酵罐使用這種方式,節電可達30%~40%,發酵單位提高3%~5%。而某些品種在節電上雖有降低,但幅度并不大,發酵單位也沒有提高,一次性投資卻有較大增加,性價比不高,就不一定選用。
1.2.4 換熱裝置設計
溫度是影響微生物生產發育及代謝活動的重要因素,換熱裝置的設計對控制溫度起著決定性作用。
A.換熱器的常用形式
夾套式換熱裝置:
罐外部配上夾套,夾套內通冷卻水,夾套高度比液面高度稍高即可。這種裝置多用于容積較小的種子罐、發酵罐。優點:結構簡單、加工容易,罐內死角少,容易進行清洗滅菌;缺點:傳熱系數低,降溫效果差。
豎式“蛇管”換熱裝置:
這種裝置是將豎式U型管分多組安裝于發酵罐內,內通冷卻水。根據罐體直徑和高度,分組數不同。容積在5 m3以上的發酵罐多采用這種換熱裝置。優點:冷卻水在罐內流速大,傳熱系數高;缺點:需要更多的設備投資,結構詳見圖3。

圖3 豎式“蛇管”換熱發酵罐示意圖
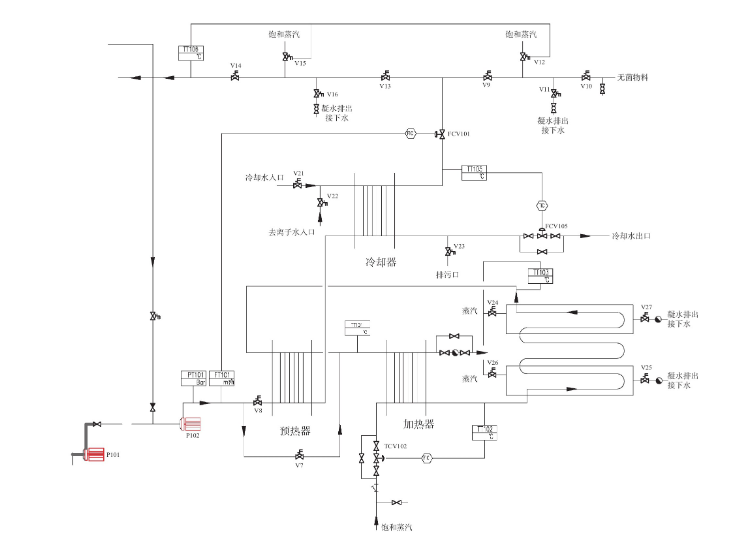
水平螺旋環管換熱裝置:
這種裝置是以多組同心圓環構成的換熱管盤旋結構安裝于發酵罐內,內通冷卻水。優點:在體積一定的發酵罐內安裝水平螺旋管可得到更大的換熱面積,傳熱系數高;可在設備滅菌時排凈管內冷媒,提高滅菌效率,節約蒸汽;環管可上下分組布置,根據罐內物料體積靈活使用。缺點:增加一定的設備投資成本。結構詳見圖4。

圖4 水平螺旋管換熱發酵罐示意圖
B.換熱面積計算及分析
發酵的冷卻面積計算可由下式得出:
式中F——換熱面積;
Q——發酵熱;
Δtm——發酵液與冷卻水間的平均溫差。
發酵熱一定,如果換熱面積設計較大,則Δtm可以較小,則使用循環水的周期可延長,切換使用低溫水的周期可變短,從而節約生產成本。通過采用水平螺旋管換熱裝置,由于其傳熱系數高,換熱面積大,在內蒙某項目實踐中,整個夏天發酵車間一直使用循環水,未切換使用低溫冷水,動力費用顯著降低,效果良好。
在換熱器配管設計中,應采用多組并聯形式,使Δtm值更低,這種設計更利于降低生產運行成本,提高經濟效益。
2 發酵系統配置設計
發酵生產從流程上可劃分為配料系統、發酵系統、過濾系統三個單元。發酵系統本身又可劃分為種子制備、發酵培養、生物生化檢驗三個部分。從發酵運行及管路配置考慮,涉及空氣系統、蒸汽系統、冷卻水系統、排氣系統、物料系統五個系統。本文重點就這五個系統配置設計進行闡述。
2.1 總體設計原則
發酵車間的管道布置要符合化工、一般制藥管道的要求,如:盡可能使管線最短,閥件最少;便于安裝、檢修和操作管理。管道一般采用明線敷設,安裝費用低,檢修安裝方便,操作人員容易掌握管道的排列和操作。
除此之外,發酵車間的特殊性在于需考慮管道布置是否符合無菌生產的要求,即保證蒸汽對物料管道滅菌時暢通無阻,無死角等。
2.2 各系統配置要點
2.2.1 空氣系統配置
發酵罐使用的壓縮空氣,經過粗過濾器進入無油空壓機制備,經空氣冷卻器、氣水分離器進行冷卻、除水,再通過空氣加熱器將溫度較低的空氣加熱到適合進入發酵系統的空氣。
A.空氣系統配置:
第一種方案是發酵車間的空氣經過總過濾器再分散到不同的發酵罐,每一個發酵罐設空氣的預過濾器和精過濾器,在消毒蒸汽進過濾器的時候,蒸汽要先經過蒸汽過濾器。
第二種方案是發酵車間取消總空氣過濾器,每一發酵罐分別設置三級過濾,即初效過濾器、預過濾器和精過濾器。
第一種方案更經濟;第二種方案在使用中更加靈活,各罐可以隨時更換第一級過濾器濾芯。
B.空氣系統設計關注重點:
要控制進初效過濾器(或總空)前的相對濕度;
空氣總管路及總空氣過濾器防止積水;
空氣系統防止氣液倒流;
空氣系統在車間設置兩路總管時需要設置聯通管路。
2.2.2 蒸汽系統配置
A.蒸汽系統配置:
蒸汽管路一般用于設備、管道的消毒滅菌。蒸汽供應分為濕飽和蒸汽、飽和蒸汽和過熱蒸汽。這三種蒸汽質量不同,在具體使用上,滅菌操作及效果也不同:濕飽和蒸汽因含有水分,熱含量低,熱穿透力差,滅菌效率低,因此,在滅菌時要適當延長時間;過熱蒸汽,溫度高于飽和蒸汽,穿透率低,滅菌效率低;飽和蒸汽的效果相對最好。整個蒸汽系統在配置時要做成“活蒸汽”,即時刻使消毒管路的蒸汽處于少量通氣狀態。全部蒸汽管路應無死角,避免冷凝水的聚集,造成雜菌的污染。
B.蒸汽系統設計關注重點:
蒸汽總管路應當采用并聯形式或蒸汽分配站形式,最常用的是蒸汽主管進入蒸汽分配包后再進入各蒸汽系統;
連消系統與發酵罐消毒系統蒸汽分開;
滅菌系統與非滅菌系統(公共系統)蒸汽分開;
進罐前設置總控制閥,盡可能避免停止總系統更換閥門;
蒸汽系統加水方案需要慎重選擇,必須設置報警及自控系統;
2.2.3 排氣系統配置
A.排氣系統配置:
排氣分為消毒排氣和發酵排氣。消毒排氣是指在消毒過程中滿足滅菌壓力要求后排掉的乏蒸汽。消毒排氣一般情況下是高溫的,因此,需要進行冷卻處理后才能排入尾氣處理系統。發酵排氣一般情況下是在發酵培養過程中的排氣,為夾帶微生物代謝物、發酵液、二氧化碳的廢氣。該排氣壓力較低,氣量較大。因此,兩種排氣系統需要分成不同的分支分別處理。
B.排氣系統設計關注重點:
消毒尾氣應在操作面分開設置,且消毒排氣管徑低于正常排氣管徑;
排氣需進入旋風分離器進行氣液分離后,方可進入尾氣處理系統;
消毒尾氣與正常發酵排氣不串接,避免消毒排氣倒灌進入正常生產的發酵罐等無菌生產設備內部;
2.2.4 冷卻水系統配置
A.冷卻水系統配置:
冷卻水按用途分為常規發酵過程冷卻水、滅菌后降溫冷卻水。根據生產工藝控制溫度的需求,多數情況下,發酵過程冷卻水需要配置循環水冷卻水和低溫冷卻水兩個系統,用于生產時切換使用。
B.冷卻水系統設計關注重點:
滅菌后冷卻水系統是否單獨設置冷卻水塔及相應管路系統,需要根據具體情況而定。一般當整體系統規模較小,而單罐體積較大情況下,應單獨設置。在南方地區,循環水溫度非常敏感,稍高會影響整個廠區生產,這種情況也應單獨設置為宜。
蛇形換熱管設計,內部冷卻水流速控制在0.5~1米/秒,進出口溫差控制在4~7℃為宜,為較經濟數據。
2.2.5 物料系統配置
A.物料系統配置原則:
管線布置應盡量短,防止物料管內滯留;
管線分支管處盡可能上彎,并使閥門安裝盡可能靠近主管,避免存料;
物料管道應避免泄漏和死角。靠罐一閥盡量靠近罐壁,以免積液形成死角,一閥與二閥之間接管盡量短,并接蒸汽管路,以利于滅菌;
不把物料無菌管路當作排污管使用,不做壓出洗罐水、染菌液使用;
不用的物料管路需要及時割除,無菌物料管路要保證蒸汽暢通;
B.物料管道系統設計關注重點:
發酵車間移種、補料系統管道生產過程中應始終處于無菌狀態,與發酵罐連接處的管道也均需處于無菌狀態,需要采用“活蒸汽”滅菌。
這些無菌管道的材質一般為無縫不銹鋼管,且需進行內拋光。
閥門選擇通常選用可更換密封面的抗閥。
與物料管線相連的蒸汽管線通常使用的是碳鋼管道,因此,與不銹鋼物料管連接處用兩片法蘭分開為宜,橡膠板或聚四氟乙烯板做分界面。
移種管道系統的設計分為兩種方式:移種主管式和分配站式。這兩種方式各有優缺點,如何選擇也要尊重甲方的操作習慣。兩種方式見圖5和圖6所示。
采用主管形式是從種子罐的移種總管直接到各發酵罐。優點是各個移種支管比較短,管道用量小,費用低。缺點是因為總管較長,對發酵的種子液浪費比較多;在操作上由于各個閥門相對較遠,人員走動比較多,操作容易出現誤差;在滅菌操作的時候,各個支管根部和總管連接處容易形成死角。
分配站形式是將各級種子和發酵罐之間的移種閥門集中到一起,各個移種支管連接到一個較短的主管上。不進行操作時,主管處于蒸汽汽封狀態。其優點是實現了移種的集中操作,減少了人員的操作距離,較為方便,誤差減少。采用這種形式,發酵液浪費比較少,滅菌的效果也比較可靠。其缺點是由于支管比較長,管道總長耗量比較大,占的空間也比較多。

圖5 移種主管管方式

圖6 分配站方式
發酵分配站的閥門一般應布置在主管的上方,避免支管的根部存殘種子液造成污染。另外一種方式是采用三通閥連接形式,三通閥本體作為主管,三通閥支管作為移種管道,管道可直接向下接出。
補料管道同樣分為主管式和分配站式。補料主管式由于操作面對美觀性的要求、操作的便捷性、安裝等都存在著一定的局限性,現在的設計上使用較少。一般推薦分配站式補料設計。
無菌管道將整個發酵廠房的設備連接起來,對整個發酵車間的設計是非常重要的,同時也是進行無菌生產的基礎。無菌管道的設計方案要根據具體布局、生產規模、甲方操作習慣等綜合考慮。
3 發酵生產自動化及節能設計
3.1 發酵生產自動化控制設計
發酵生產過程是微生物次級代謝的生化反應過程,機理復雜。生產工藝包括生物技術,化工技術。部分過程參數既相互關聯,又相互制約。且生產過程涉及無菌操作,實現完全自動化有較大難度,并需付出較高投資。但是,自動化控制的優勢和必要性也十分突出,是發展的必然趨勢。
發酵車間的自動化控制和監控點主要包括:發酵溫度、發酵罐壓、空氣流量、滅菌、消沫、pH值、補料、移種、溶氧、攪拌轉速等。其主要特殊點是無菌概念。物料系統需采用衛生型閥門和儀表,避免藏污納垢。且由于物料和空氣管道需高溫高壓蒸汽滅菌,儀表和閥門管件還要選擇耐溫、耐壓的型式。
隨著國內自動化領域的發展,一些先進發酵生產線已實現全過程自動化控制。自控系統多采用分散控制、集中操作、分級管理、組態方便的方式,即DCS方式。
發酵車間自控難點在于滅菌操作全自動化控制。自控滅菌的優點是滅菌過程中培養基溫度控制一致性好,培養基的破壞程度均勻性強,又能降低人工勞動強度和節省勞動力,還能減少人為不確定因素導致滅菌失敗的風險。出現異常情況時,利用DCS系統可以做出迅速反應,縮短處理時間。采取全自動滅菌也有缺點:由于大量自控閥門代替手動閥門,導致投資額較大。另外,全自動滅菌對操作人員的素質要求有所提高,出現故障,要求操作人員能夠迅速判斷異常,迅速解決自控系統出現的問題。
在設計過程中是否采用全自動控制系統,要根據業主的投資預算、發酵規模、項目當地操作人員素質、品種特點等綜合因素決定。隨著我國自控軟硬件水平的不斷提高,人工成本的不斷增加,勞動力短缺情況的出現,以及其他等諸多因素的影響,全自動化控制方案必將成為發酵工廠設計的趨勢。圖7為典型發酵罐自控流程圖。

圖7 典型發酵罐自控流程圖
3.2 發酵車間節能設計
發酵工業是高耗能產業,隨著能源價格的持續提高,動力成本占生產成本的比例可達40%~55%。所以,在發酵工廠設計時,越來越注重采用節能設備和節能工藝。例如,在近期一些項目設計中,采用永磁電機、磁懸浮空壓機等節電設備已比較常見。又例如,在空壓機站的設計中,用從離心空壓機出來的高溫壓縮空氣與要升溫的壓空(除濕以后的壓縮空氣)換熱,達到回收熱量,節省蒸汽的目的。
目前,發酵車間比較流行的工藝節能措施,當屬采用熱交換利用的高溫高壓快速連消滅菌裝置代替實罐消毒。
其具體方案是(1)在連消系統采用預熱器,用消后高溫物料作為預熱器熱源,一方面物料經過預熱器升溫可節省消毒蒸汽的用量,同時,將消后高溫物料送到預熱器里給低溫的物料做預熱熱源,可使其出料溫度將至50~60℃,也降低了循環水對其進行冷卻的負荷,一舉兩得。(2)為了進一步提高節能效果,并降低物料破壞程度,也可采用高溫快速滅菌新型連消工藝裝置。圖8為該種節能型連消裝置流程示意圖。

圖8 節能型連消裝置流程示意圖
注重回收廢蒸汽,也是當下節能設計中的一個方面。
發酵過程中的廢蒸汽主要包括:排氣管道在滅菌過程中排氣,發酵車間無菌維持時的小排氣(小辮子)中的廢蒸汽。對這些廢蒸汽的收集利用,用于預熱配料水水溫,也可以達到一定程度的熱量回收。同時,也可以降低廢蒸汽亂排對車間環境帶來的溫度升高、濕度增大等不利影響。圖9為消毒尾氣回收流程示意圖。

圖9 消毒尾氣回收流程示意圖
4 結論
本文對發酵設計的重點及難點問題進行了闡述和分析。指出:發酵關鍵設備的設計水平以及發酵生產系統配置水平是決定整個發酵系統是否先進的兩個重要方面;發酵罐的容積規模是否合適、高徑比選擇是否合理、攪拌流場技術是否先進、換熱裝置是否高效,是發酵罐設計需關注的四個關鍵點;空氣系統、蒸汽系統、冷卻水系統、排氣系統、物料系統為發酵生產的五個主要配置系統,應該緊緊圍繞無菌保證、安全保障、低成本運行、節能高效、維護方便的總體原則,根據不同系統的特殊性,分別做好每一個系統的設計;發酵全自動化控制生產是未來工程設計發展的必然趨勢,每一個工程自控水平的確定,需根據工程的具體情況做出切合實際的選擇。